服務熱線
0531-88676220
萬向聯(lián)軸器
簡要描述:WD型無伸縮短式萬向聯(lián)軸器是一種_常用的聯(lián)軸器。利用其結構的特點能使不在同一軸線或軸線折角較大或軸向移動較大的兩軸等角速連續(xù)回轉,并可靠地傳遞轉矩和運動...
關鍵詞:聯(lián)軸器,萬向聯(lián)軸器

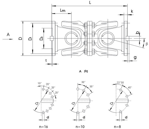
C型十字軸萬向聯(lián)軸器基本參數和主要尺寸
| 型號 |
回轉直徑 D |
公稱轉矩 Tn /N.m |
疲勞轉矩 Tf kN.m |
軸線折角 β |
尺寸 |
傳動慣量 I |
質量 G |
|
| L | L1 | kg·m2 | kg | |||||
| SWP160C | 160 | 16 | 8 | ≤10 | 340 | 85 | 0.11 | 31 |
| SWP180C | 180 | 20 | 10 | ≤10 | 380 | 95 | 0.17 | 42 |
| SWP200C | 200 | 31.5 | 16 | ≤10 | 440 | 110 | 0.29 | 59 |
| SWP225C | 225 | 40 | 20 | ≤10 | 520 | 130 | 0.51 | 80 |
| SWP250C | 250 | 63 | 31.5 | ≤10 | 540 | 135 | 0.93 | 119 |
| SWP285C | 285 | 90 | 45 | ≤10 | 600 | 150 | 1.88 | 179 |
| SWP315C | 315 | 140 | 63 | ≤10 | 680 | 170 | 2.88 | 232 |
| SWP350C | 350 | 180 | 90 | ≤10 | 740 | 185 | 4.59 | 300 |
| SWP390C | 390 | 250 | 112 | ≤10 | 820 | 205 | 8.64 | 432 |
| SWP435C | 435 | 355 | 160 | ≤10 | 940 | 235 | 17.41 | 688 |
| SWP480C | 480 | 450 | 224 | ≤10 | 1060 | 265 | 28.25 | 904 |
| SWP550C | 550 | 710 | 315 | ≤10 | 1160 | 290 | 49.49 | 1309 |
| SWP600C | 600 | 1000 | 500 | ≤10 | 1440 | 360 | 87.17 | 1377 |
| SWP640C | 640 | 1250 | 630 | ≤10 | 1540 | 385 | 152.76 | 2635 |
?
地址:濟南市大橋路117號
電話:0531-88676220

Copyright © 2002-2020 山東森納機械設備制造有限公司 版權所有 備案號:魯ICP備2020036176號
